Zum Zerlegen und Zusammenbauen der Duc können die folgenden Explosionszeichnungen hilfreich sein (dem Spender sei Dank)

 

Anbauteile / Verkleidung   
Seitenteile 916 Verkleidung1.JPG (28931 Byte)
Sitzbank 916 Sitzbank1.JPG (38745 Byte)
Front 916 Frontverkleidung1.JPG (32898 Byte)
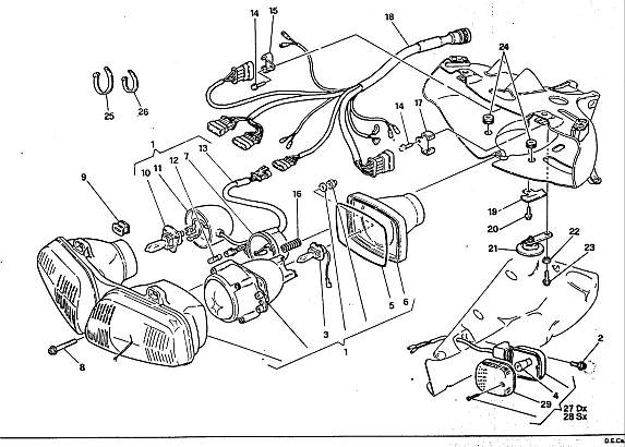
Scheinwerfer 916 Scheinwerfer1.JPG (48059 Byte)
Lufteinlass 916 Lufteinlass1.JPG (37438 Byte)
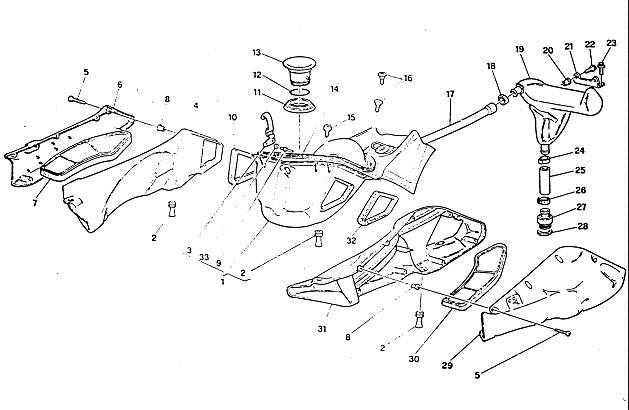
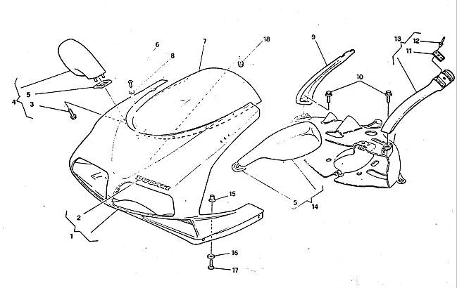
Heck 916 Heck1.JPG (50252 Byte)
Tank / Benzinpumpe 916 Tank1.JPG (31374 Byte) 916 Benzinpumpe1.JPG (29180 Byte)
Auspuff 916 Auspuff1.JPG (31926 Byte)
 

Fahrwerk / Bremsen

 
Vorderrad 916 Vorderrad1.JPG (41079 Byte)
Hinterrad 916 Hinterrad1.JPG (29572 Byte)
Lenker 916 Lenker1.JPG (41344 Byte) 916 Lenkerstummel1.JPG (26276 Byte)
Hinterradbremse 916 Hinterradbremse1.JPG (37177 Byte)
Hinterradantrieb 916 Hinterradantrieb1.JPG (33446 Byte)
Federbein 916 Federbein1.JPG (50706 Byte)
Gabel 916 Gabel1.JPG (34324 Byte)
Vorderradbremse 916 Vorderradbremse1.JPG (30010 Byte)
Rahmen 916 Rahmen1.JPG (42740 Byte)
 

Motor / Getriebe / Kupplung

 
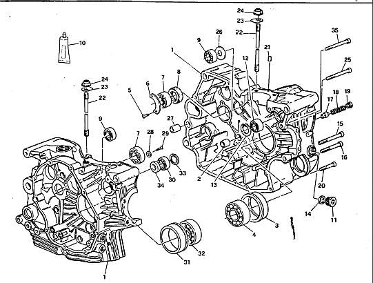
  916 Getriebe-Motor1.JPG (47996 Byte) 916 Getriebe-Motor2.JPG (49510 Byte)
  916 Getriebe-Motor3.JPG (32239 Byte) 916 Getriebe-Motor4.JPG (49272 Byte)
  916 Getriebe-Motor5.JPG (33058 Byte) 916 Getriebe-Motor6.JPG (34470 Byte)
  916 Getriebe-Motor7.JPG (39957 Byte) 916 Getriebe-Motor8.JPG (36814 Byte)
Zylinder 916 Zylinder1.JPG (39383 Byte)
Zylinderkopf 916 Zylinderkopf1.JPG (43498 Byte) 916 Zylinderkopf2.JPG (30967 Byte)
Kurbelwelle 916 Kurbelwelle1.JPG (29287 Byte) 
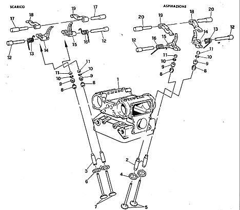
Ventiltrieb 916 Ventiltrieb1.JPG (27609 Byte) 916 Ventiltrieb2.JPG (42495 Byte)
Kühler 916 Kühler1.JPG (25916 Byte) 916 Kühler2.JPG (46375 Byte)
Ölkühler 916 Ölkühler1.JPG (37480 Byte)
 

Elektrik

 
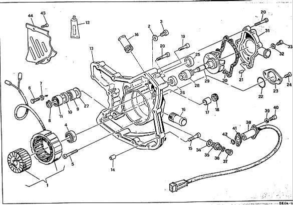
Regler 916 Batterie-Regler1.JPG (35987 Byte) 916 Batterie-Regler2.JPG (42156 Byte) 916 Batterie-Regler3.JPG (40178 Byte)
Einspritzanlage 916 Einspritzanlage1.JPG (44056 Byte)
Kabelbaum 916 Kabelbaum1.JPG (49787 Byte) 916 Kabelbaum2.JPG (50621 Byte)
 

Sonstiges

 
Spezialwerkzeug 916 Spezialwerkzeug1.JPG (46924 Byte) 916 Spezialwerkzeug2.JPG (29162 Byte)